Взрывозащищенные корпуса из алюминиевого сплава с видом защиты 1 Ex d IIC серии УНВ-ДГ(с) с фланцевым соединением и УНВ-ДГ(с) с фланцевым соединением с окном

Производственно-инжиниринговая компания
Производственно-инжиниринговая компания

Взрывозащищенные корпуса УНВ-ДГ(С) с фланцевым соединением предназначены для промышленного применения во взрывоопасных средах в помещениях и наружных установках (группа II) с содержанием газа и горючей пыли соответственно для взрывоопасных зон 1 – 2.

Взрывозащищенные корпуса УНВ-ДГ(С) с фланцевым соединением предназначены для промышленного применения во взрывоопасных средах в помещениях и наружных установках (группа II) с содержанием газа и горючей пыли соответственно для взрывоопасных зон 1 – 2.
Взрывозащищенные корпуса из алюминиевого сплава с видом защиты 1 Ex d IIC серии УНВ-ДГ(С) с фланцевым соединением и УНВ-ДГ(С) с фланцевым соединением с окном
  • корпуса для клеммных зажимов и сборных шин;
  • корпуса для предохранителей, трансформаторов, регуляторов и другого электрооборудования с независимой функциональностью;
  • посты управления и системы мониторинга;
  • распределительные щиты для силовых систем и систем освещения;
  • различные конфигурации пускателей двигателей.
Основные функции данных корпусов
Содержание
Ex tb [ib] IIIC «T85°C…T200°C» Db Х
Ex tb [ia Da] IIIC «T85°C … T200°C» Db Х
ГОСТ Р МЭК 60079-0-2011
Вид взрывозащиты:
ГОСТ Р МЭК 60079-31-2010
ГОСТ Р МЭК 60079-1-2011
ГОСТ Р МЭК 60079-11-2010
Зона 1, Зона 2
№ТС RU C-RU.ГБ08.В.02616
IP66/67
1 Ex d IIC «T6 …T3» Gb/Ex tb IIIC «T85°C…T200°C» Db Х
Зоны применения:
Сертификат соответствия:
Степень защиты:
Диапазон рабочих температур:
Соответствие стандартам таможенного союза:
-60/-40/-20 … 40/60/80 °С
1 Ex d [ia IIA/IIB/IIC Ga] IIC «T6…T3» Gb Х
Новая концепция проектирования привела к созданию корпусов серии УНВ-ДГ(C) с фланцевым соединением, которые предоставляют возможность для оптимизации и более эффективного использования объемов по сравнению с корпусами других серий в исполнении IIC, например, серии УНВ-ДГ(С) с резьбовым соединением. Увеличение полезного объема, в отличие от цилиндрических корпусов, делает эту новую серию исключительно практичной в использовании и, помимо прочего, позволяет устанавливать электрооборудование стандартных внешних размеров, благодаря чему значительно увеличиваются возможности и облегчается эксплуатация оборудования.
Увеличенный объем
Корпуса и крышки изготовлены из коррозионностойкого модифицированного алюминиевого сплава. Крышка крепится с помощью набора винтов из нержавеющей стали AISI 304 A2 70, имеющих специальную головку под шестигранник, расположенных по периметру крышки — для безопасного прилегания, и на заказ с силиконовым уплотнителем для достижения степени защиты IP 67. Снаружи и внутри корпуса установлены болты с рифлеными шайбами ALSI304 для подключения заземления. Корпус снабжен внутренней монтажной пластиной из алюминиевого сплава. Стандартное наружное покрытие эпоксидным покрытием – цвет серый RAL 9006.
описание
Аксессуары и специальное исполнение
  • Антиконденсатное внутреннее покрытие, цвет стандартный Orange RAL 2004.
  • Антиконденсатное внутреннее покрытие, цвет по спецификации
  • заказчика.
  • Дренажный клапан / вентиляционный клапан / специальное оборудование из нержавеющей стали AISI 316 A4 / нестандартная резьба.
Резьба и отверстия
  • Метрическая резьба ISO 965.
  • Трубная цилиндрическая резьба ISO 228.
  • Коническая резьба B1.20.1 NPT.
  • Другие типы резьб по запросу.
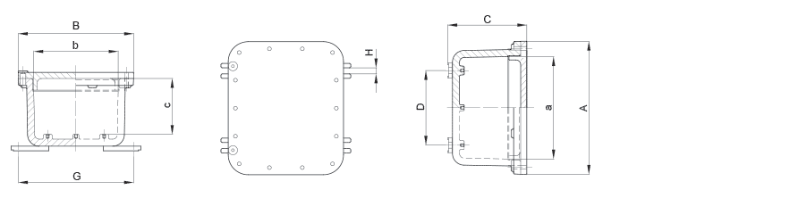
Габаритные размеры и вес корпусов серии УНВ-ДГ(С) из алюминия
Габаритные размеры и вес корпусов серии УНВ-ДГ(С) из алюминия
Сверление на короткой / длинной стороне корпуса
Сверление на короткой / длинной стороне корпуса
На заказ возможно изготовить корпуса с окнами в соответствии с допустимыми размерами для различных типов корпусов и различных вариантов использования, таких как инструменты визуализации, клавиатура типа «Touch screen», сенсорный экран.

Символы для окон:
48х48 мм … 200х48 мм — «Уменьшенное окно»
60х60 мм … 150х150 мм — «Стандартное окно»
Возможны другие варианты, но в пределах максимально допустимых размеров для корпуса, см. таблицу выше.
Окна
Окна
Имеется возможность изготовления смотровых окон произвольного типоразмера по индивидуальному заказу

Данные корпуса в основном используются для соединения кабелей или перехода с одного сечения проводников на другое посредством клеммных зажимов, для наращивания кабелей, а также для соединения силовых кабелей с проводниками вводной коробки электродвигателя. Возможны различные конфигурации внутреннего расположения клеммных колодок.

Клеммные коробки УНВ(С)-К с резьбовым соединением
Расположение клеммных колодок может отличаться от стандартного на основании спецификации заказчика, но всегда в пределах действия сертификата соответствия. Размер корпуса определяется Tехническим отделом компании ООО «Ди групп» на основании ряда параметров, указанных заказчиком:
  • количество и размеры кабелей;
  • количество и размеры входов;
  • требования по проводке и расположению корпусов в оборудовании.
Если корпус поставляется в комплекте с кабельными вводами или уплотнительными фитингами, мы отвечаем за определение их размеров, исходя из количества и размеров установленных кабелей. Также возможно дополнительное увеличение размера корпуса с учетом планируемых в будущем расширений. Клеммные терминалы устанавливаются на монтажную рейку и фиксируются непосредственно к корпусу или на монтажную панель.
Примеры расположения клеммных колодок
Возможны различные конфигурации расположения клеммных зажимов внутри корпуса:
  • прямая;
  • диагональная;
  • в несколько рядов;
  • в несколько рядов и на разных уровнях.

Возможно иное расположение клеммных колодок по спецификации заказчика и в соответствии с областью действия сертификата, в зависимости от максимального количества клеммных колодок, отверстий на одной стороне, наименьшего применимого расстояния и рассеянной мощности для данного типа корпуса.
Примеры расположения клеммных колодок
Количество клеммных колодок в соответствии с типом корпуса
Форма заказа клеммных коробок на базе корпусов УНВ-ДГ(*)-К
Внимание: заказать нужные вам изделия на базе коробок УНВ-ДГ(Х), УНВ-ДГ-(Х) или УНВ- Х(Х) можно, скачав Опросные листы
Щиты для систем освещения УНВ-ДГ(С)-ЩО с фланцевым соединением
Габаритные размеры и вес корпусов серии УНВ-ДГ(С) из алюминия
Взрывозащищенные щиты освещения УНВ-ДГ(С)-ЩО с фланцевым соединением предназначены для распределения переменного тока напряжением до 380 В, частотой 50 Гц, 60 Гц и постоянного тока напряжением до 220 В в стационарных осветительных сетях и их защиты во взрывоопасных зонах предприятий химической, нефтеперерабатывающей, газовой и других отраслей промышленности.

Щиты освещения типа УНВ-ДГ(С)-ЩО с фланцевым соединением так же могут работать совместно с управляющим фотореле. Фотореле посылает команду на замыкание или размыкание цепи при достижении установленного порога освещенности, определенного фотоэлементом.

Для прямого ввода кабелей или проводов в Ex d оболочку щита освещения применяются специально разработанные Ex d вводы для прямого ввода. Согласно обязательным требованиям характеристика изделия отражена в сертификате. Это позволяет отказаться от вводной коммутационной коробки, что делает нашу продукцию уникальной и более выгодной по сравнению с другими компаниями.
Взрывозащищенные щиты управления УНВ-ДГ(С)-ЩУ с фланцевым соединением — комплексное устройство для контроля и управления технологическими процессами на промышленном предприятии. Данные изделия согласно сертификату комплектуются по индивидуальному заказу необходимыми для установки электротехническими компонентами (автоматические выключатели, УЗО, реле, таймеры, контакторы, трансформаторы, магнитные пускатели, плавкие предохранители, расцепители, шины, клеммники, аккумуляторные батареи, барьеры искрозащиты и т.д.), и IT-компонентами (процессоры, контроллеры, устройства аналогового и цифрового ввода и вывода, коммутаторы, WiFi и т.д.).
Щиты для систем управления и сигнализации УНВ-ДГ(С)-ЩУ с фланцевым соединением
Щиты для систем управления и сигнализации УНВ-ДГ(С)-ЩУ с фланцевым соединением
В крышке шкафа могут быть установлены смотровые окна из термостойкого ударопрочного боросиликатного стекла, элементы управления и индикации, негорючие теплоизоляционные материалы, нагревательные элементы. Имеется возможность размещения любой контрольно-измерительной цифровой или аналоговой аппаратуры (мониторы, вольтметры, амперметры и т.д.) – критерием совместимости является только габаритные размеры самого прибора.

Взрывозащищенные шкафы управления отвечают всем нормам, требованиям и правилам, предъявляемым к электрооборудованию в химической, нефтеперерабатывающей, горнодобывающей промышленности, а также в других отраслях, где присутствует взрывоопасная атмосфера. Кроме того, структура и специальные свойства щитов управления УНВ-ДГ(С)-ЩУ с фланцевым соединением из коррозионностойкого модифицированного алюминиевого сплава позволяют эксплуатировать изделия в открытом море и экстремальных климатических условиях (тропики, субтропики, арктическая зона).
Взрывозащищенные пускатели магнитные УНВ-ДГ(С)-ПМ с фланцевым соединением предназначены для местного и/или дистанционного управления электродвигателем в сетях переменного тока электроустановок химической, газовой, нефтяной и других отраслей промышленности, в зонах с потенциально взрывоопасной атмосферой.

Для прямого ввода кабелей или проводов в Ex d оболочку пускателя применяются специально разработанные Ex d вводы для прямого ввода. Согласно обязательным требованиям характеристика изделия отражена в сертификате. Это позволяет отказаться от вводной коммутационной коробки, что делает нашу продукцию уникальной по сравнению с другими компаниями.
Пускатели магнитные УНВ-ДГ(С)-ПМ с фланцевым соединением
Для заказа оборудования свяжитесь с нами