Производственно-инжиниринговая компания

Взрывозащищенный пакетный переключатель EFSC предназначен для промышленного применения во взрывоопасных средах в помещениях и наружных установках (группа II) с содержанием газа и горючей пыли соответственно для взрывоопасных зон 1 — 2.

Пакетный переключатель EFSC предназначен для промышленного применения во взрывоопасных средах в помещениях и наружных установках (группа II) с содержанием газа и горючей пыли соответственно для взрывоопасных зон 1 – 2.
Пакетный переключатель EFSC
Пакетные взрывозащищенные выключатели и переключатели серии EFSC относятся к стационарным устройствам и предназначены для коммутации электрических цепей на различных промышленных объектах во взрывоопасных зонах. Область применения — взрывоопасные зоны помещений и наружных установок согласно маркировке взрывозащиты.

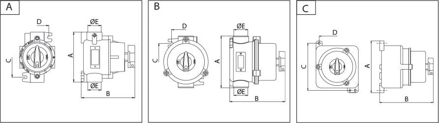
Выключатели серии EFSC состоят из корпуса и крышки, которые изготовлены из коррозионностойкого модифицированного алюминиевого сплава. На корпусе выключателей EFSC размещены кабельные вводы. На крышке выключателя расположен выключатель, двухпозиционный переключатель или однопозиционный переключатель.
Основные функции пакетного переключателя
Содержание
Ex tb IIIC «T85°C/T100°C» Db Х
–60/–40 … 40/60 °С
Соответствие стандартам таможенного союза:
Диапазон рабочих температур:
Степень защиты:
Сертификат соответствия:
Зоны применения:
1 Ex d IIC «T6/T5» Gb Х
IP65/66/67
№ТС RU C-RU.ГБ08.В.01324
Зона 1, Зона 2
ГОСТ Р МЭК 60079-7-2012
ГОСТ IEC 60079-1-2011
ГОСТ Р МЭК 60079-31-2010
Вид взрывозащиты:
ГОСТ Р МЭК 60079-0-2011
Материал корпуса и крышки: коррозионностойкий модифицированный алюминиевый сплав.
Крепеж: нержавеющая сталь AISI 304 (стандартно), AISI 316 (по за­просу).
Материал окна (по запросу): термостойкое ударопрочное боросиликатное стекло.
Покраска: антифрикционное эпоксидное порошковое покрытие. Стандартный цвет RAL 9006.
описание
Опции и аксессуары, поставляемые по запросу
  • Внешнее эпоксидное покрытие с цветом по запросу.
  • Нестандартная резьба.
Технические характеристики:
Выключатели 500 В, 50/60 Гц
Переключатели 500 В, 50/60 Гц
Коммутаторы 500 В, 50/60 Гц
Поворотные переключатели 500 В, 50/60 Гц
Схемы управления двигателями
ТИП «R»
Контакторное управление со сохраняемым положением OFF/ВЫКЛ
ТИП «X»
Контакторное управление
ТИП «Y»
Управление реверсивным пусковым устройством двигателя
ТИП «W»
Импульсное управление
ТИП «Z»
Ручное автоматическое управление
Для заказа оборудования свяжитесь с нами