Взрывозащищенная камера видеонаблюдения

Производственно-инжиниринговая компания
Производственно-инжиниринговая компания

Взрывозащищенная камера видеонаблюдения предназначена для промышленного применения во взрывоопасных средах в помещениях и наружных установках (группа II) с содержанием газа и горючей пыли соответственно для взрывоопасных зон 1 – 2.

Взрывозащищенная камера видеонаблюдения предназначена для промышленного применения во взрывоопасных средах в помещениях и наружных установках (группа II) с содержанием газа и горючей пыли соответственно для взрывоопасных зон 1 – 2.

Камера видеонаблюдения — устройство для получения и передачи видео- или фотоданных о состоянии контролируемой им системы на устройства хранения и отображения информации (серверы, мониторы). Взрывозащищенные камеры видеонаблюдения чаще всего используются в:
1. системах охраны, сигнализации и системах контроля доступа;
2. системах удаленного контроля технологическими процессами и т.д.

Взрывозащищенные камеры видеонаблюдения изготавливаются на базе корпусов Ex d IIC типа EMH9 со смотровым окном.
Взрывозащищенная камера видеонаблюдения
Содержание
ГОСТ IEC 60079-1-2011
Ex tb IIIC T85°C Db Х
ГОСТ Р МЭК 60079-0-2011
–60/–40°C … 40/60 °C
Соответствие стандартам таможенного союза:
Диапазон рабочих температур:
Степень защиты:
Сертификат соответствия:
Зоны применения:
1 Ex d IIC T6 Gb X
IP66
№ТС RU C-IT.ГБ08.В.01003
Зона 1, Зона 2
ГОСТ Р МЭК 60079-11-2010
ГОСТ Р МЭК 60079-7-2012
Вид взрывозащиты:
ГОСТ Р МЭК 60079-15-2010
ГОСТ Р МЭК 60079-18-2012
ГОСТ Р МЭК 60079-31-2010
Материал корпуса и рамки: коррозионностойкий модифицированный алюминиевый сплав.
Крепеж: нержавеющая сталь AISI 304 (стандартно), AISI 316 (по за­просу).
Материал окна: термостойкое ударопрочное боросиликатное стекло.
Покраска: антифрикционное эпоксидное порошковое покрытие. Стандартный цвет RAL 9006.
Тип камеры: видео-, фото-, тепловизионная, с температурной сигнализацией, с возможностью передачи данных в реальном времени и т. д.
Описание
Стандартная резьба вводов: NPT (ANSI B1.20.1 3/4″)
Другие типы резьбы – по запросу.
Вводы
Аксессуары и специальное исполнение
Дренажные клапаны, вентиляционные клапаны, внешняя окраска.
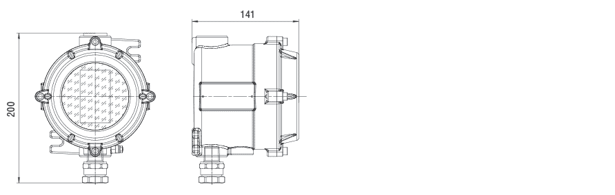
Внешний вид и габаритные размеры
Для заказа оборудования свяжитесь с нами