Производственно-инжиниринговая компания

Взрывозащищенные протяжные коробки серии S предназначены для промышленного применения во взрывоопасных средах в помещениях и наружных установках (группа II) с содержанием газа и горючей пыли соответственно для взрывоопасных зон 1 ‑ 2.

Взрывозащищенная протяжная коробка серии S
Коробки серии S предназначены для промышленного применения во взрывоопасных средах в помещениях и наружных установках (группа II) с содержанием газа и горючей пыли соответственно для взрывоопасных зон 1 ‑ 2.
Данные изделия используются в качестве клеммных или протяжных коробок. Имеют округлую форму с большим количеством комбинаций различных вводов. Благодаря этому можно решить практически любую задачу при подключении трубной или гибкой проводки.

Материал корпуса и крышки: коррозионностойкий модифицированный алюминиевый сплав.
Крепеж: нержавеющая сталь AISI 304 (стандартно), AISI 316 (по за­просу).
Покраска: антифрикционное эпоксидное порошковое покрытие, анодирование. Стандартный цвет RAL 9006.
Содержание
ГОСТ Р МЭК 60079-1-2011
Ex tb IIIC T85°C Db Х
ГОСТ Р МЭК 60079-0-2011
–60/–40/–30/–20 … 55/130°С
Соответствие стандартам таможенного союза:
Диапазон рабочих температур:
Степень защиты:
Сертификат соответствия:
Зоны применения:
1 Ex d IIC T6 Gb X
IP66
№TC RU C-IT.ГБ08.В.01003
Зона 1, Зона 2
ГОСТ Р МЭК 60079-11-2010
ГОСТ Р МЭК 60079-7-2012
Вид взрывозащиты:
ГОСТ Р МЭК 60079-15-2010
ГОСТ Р МЭК 60079-18-2012
ГОСТ Р МЭК 60079-31-2010
1 Ex d IIC T3 Gb X
Ex tb IIIC T150°C Db Х
Ex d IIC Gb U
Ex tb IIIC Db U
Взрывозащищенные коробки серии S предназначены для протяжки и разветвления проводов и кабелей, прокладываемых в трубных системах электропроводки.

Коробки изготавливаются из коррозионностойкого модифицированного алюминиевого сплава со специальным покрытием, стойким к скалыванию покрасочного слоя на эпоксидной основе. Для обеспечения защиты от внешних воздействий применяется специальная неопреновая прокладка между крышкой и корпусом коробки. Конструкция коробки предусматривает внешний и внутренний болт заземления. Болты изготавливаются из нержавеющей стали.

Различные варианты крепления протяжных коробок серии S к вертикальной и горизонтальной поверхностям делают их незаменимыми при проектировании трубных систем элетропроводки в стесненных условиях производственных цехов или при сложной конфигурации несущих конструкций.
Коробки серии S позволяют осуществить трубный ввод кабеля как со стороны боковых стенок, так и через дно.

Коробки размеров 26 и 36 могут оснащаться клеммниками для проводов сечением до 6 мм², коробки размеров 59 и 69 могут оснащаться клеммниками для проводов сечением до 16 мм2.
описание
Технические характеристики
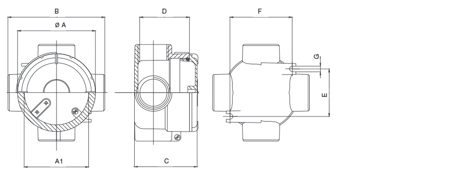
Габаритные размеры коробок серии S в зависимости от диаметра вводных отверстий
Модификации коробок серии S в зависимости от количества и расположения вводных отверстий
Габаритные размеры коробок серии S в зависимости от модификаций
Для заказа оборудования свяжитесь с нами